The Next Evolution of Autonomy
AVATAR TD SERIES ROBOT JOINT MODULES: The Foundation of Intelligent Autonomy
At Robotonomous, we believe that true autonomy begins with superior hardware powered by cutting-edge intelligence. The Avatar TD Series Robot Joint Modules are the essential building blocks of our advanced Learning, Training, and Autonomy (LTA) systems, providing the physical-world performance and precision required for next-generation machines.
By integrating these world-class joint modules with our full-stack solution—including our AI-based control stacks and sensor fusion modules—we empower machines to perceive, plan, and perform seamlessly in the real world.
Why the Avatar TD Series is the Intelligent Choice
Our core mission is to bridge the gap between abstract data and physical-world performance. The TD Series Joint Modules are engineered to deliver the reliability, precision, and adaptability that modern robotics demand.
- Full-Stack Autonomy Integration: These joint modules act as the high-performance actuators for the “brain” developed by Robotonomous. They are designed for seamless integration with our AI-based control stacks, enabling nuanced, human-like reactions and real-time intelligent decisions.
- Precision and Reliability: Featuring low-backlash operation (as low as 10 arcsec on certain models) and high-resolution 17-bit encoders, these modules deliver the precision critical for dynamic, real-world deployment.
- Real-World Readiness: Available with optional brakes for safety and a wide range of Ingress Protection (IP) ratings, including IP40 and IP67, the TD Series is built to operate reliably in diverse and demanding environments. Our high-fidelity simulation tools ensure that the systems built with these joints are rigorously validated before deployment.
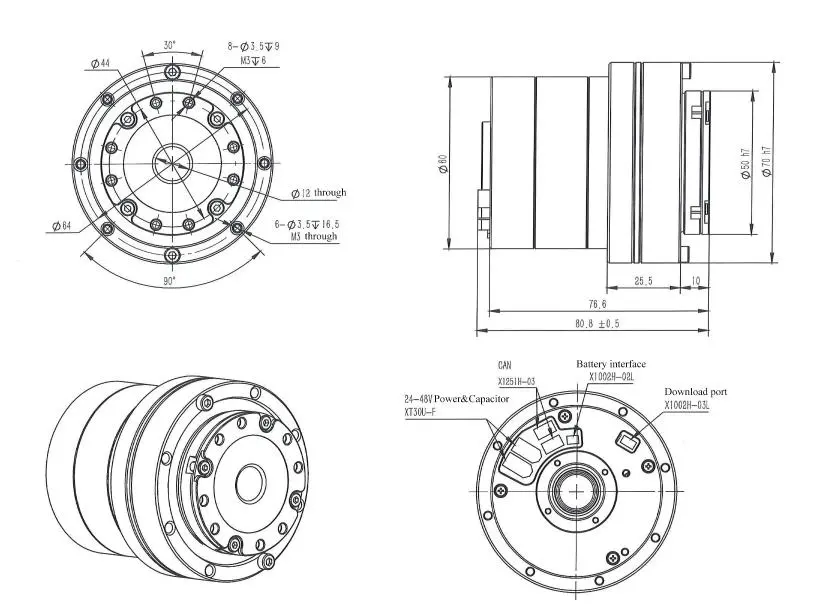
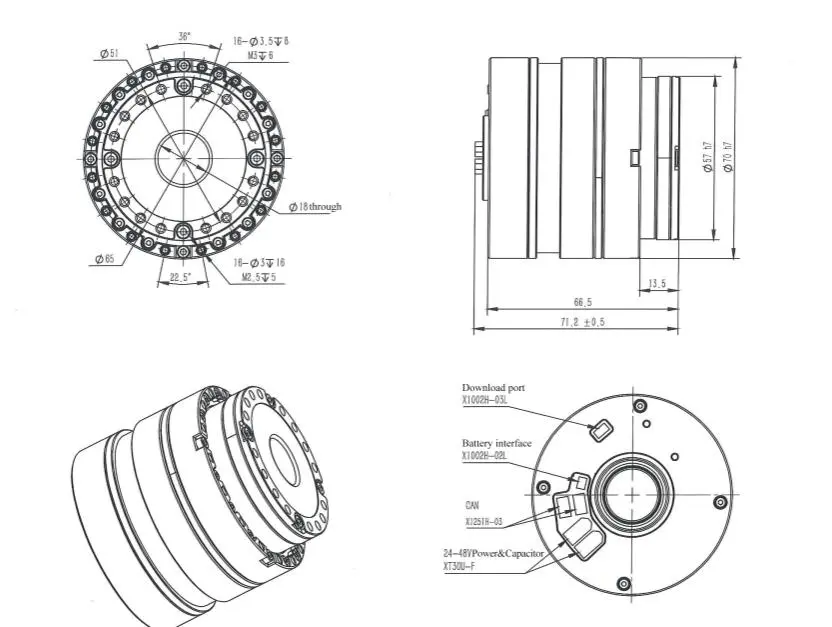
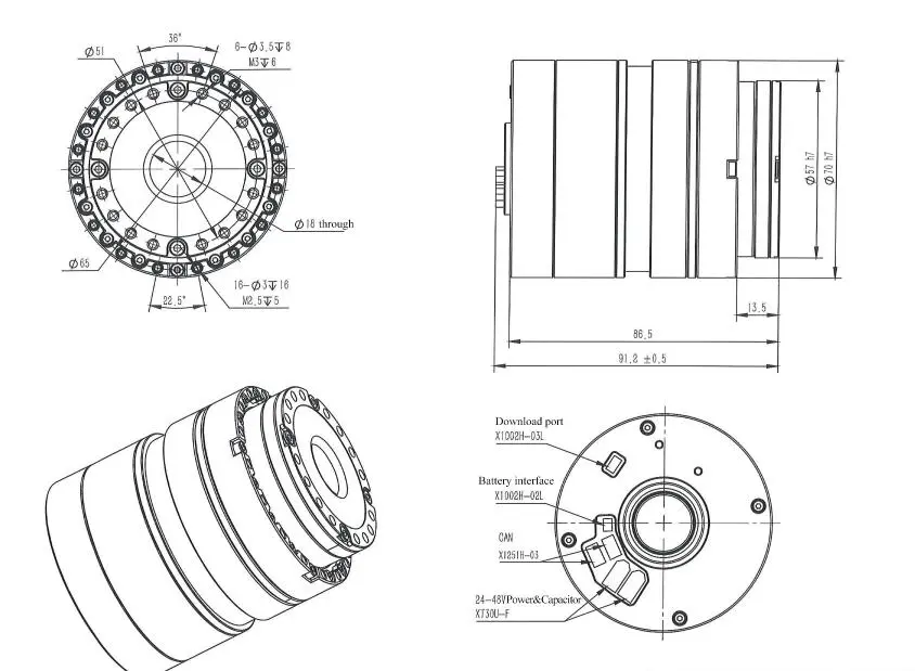
Product Overview: Avatar TD Series
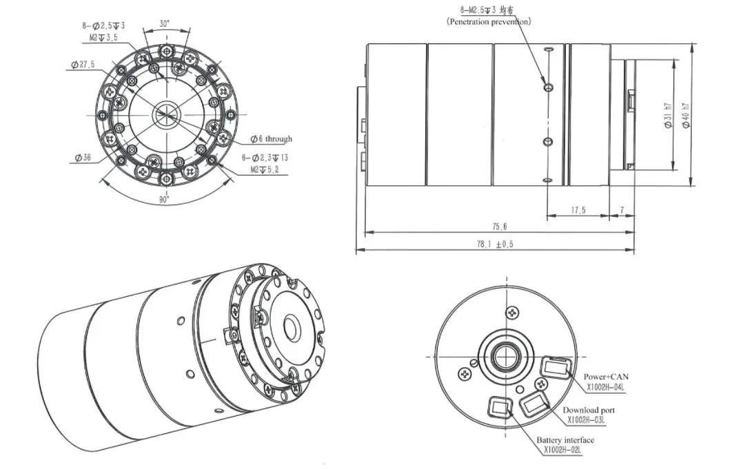
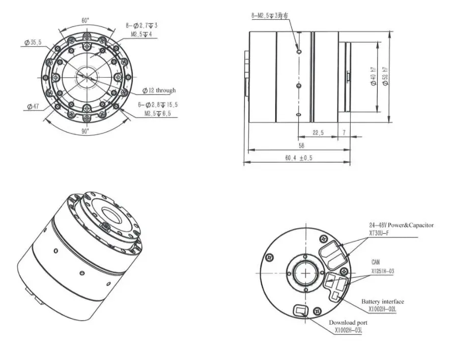
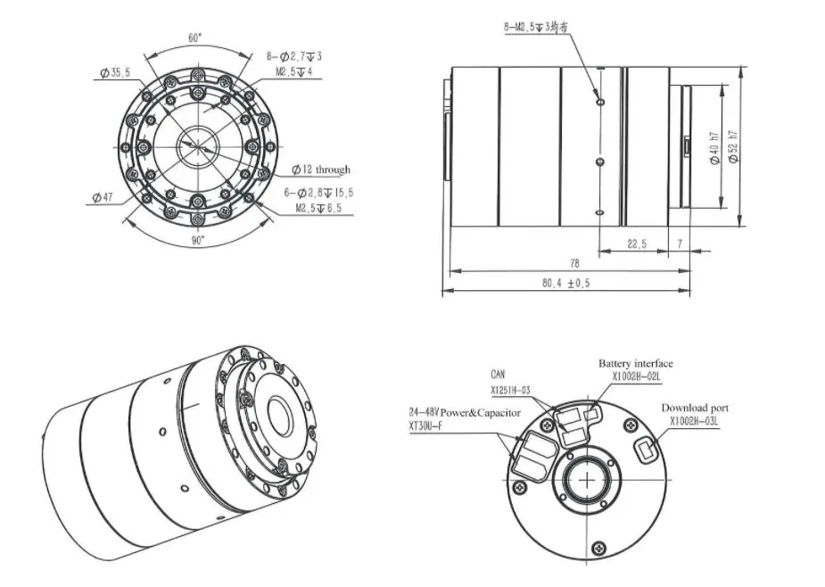
The Avatar TD Series offers a comprehensive range of integrated joint modules, combining a motor, reducer, encoder, and drive into a compact, robust unit. The series is categorized into two main structural types:
- PRO Hollow Series (PRO): Features a central through-hole design, simplifying wiring and structure for complex applications like robotic arms.
- Solid Series (NH): Robust, solid-shaft design for maximum structural integrity in high-load scenarios.
Core Features
- Integrated Design: All-in-one unit for simple installation and deployment.
- High Performance: Features high start-stop peak torque and max allowable torque, suitable for heavy-duty applications (up to 841 N.m peak torque in the TD-110-170-PRO model).
- Multiple Reduction Ratios: A variety of ratios, including 51, 81, 101, 121, and 161, allow for optimal tuning of speed and torque .
- Standard Communication: Utilizes a CAN bus communication protocol for reliable data transmission and control.
- Flexible Options: Available with and without a Brake (indicated by the ‘B’ in the model name) for added safety and holding torque .
Start Your Autonomous Journey
Medical Surgery Robots
Medical Rehabilitation Robots
Industrial Robot ARM
Application in Bigdog
Motion Control Scheme for Exoskeleton Robots
Application in Medical Devices Gastrointestinal Endoscopic
Technical Specifications Summary
The TD Series encompasses a broad spectrum of specifications to meet the needs of all robotic and autonomous vehicle designs.
| Feature | Range / Typical Specification (Hollow PRO Series) |
| Model Outer Diameter | 40mm to 170mm (e.g., TD-30-40-PRO to TD-110-170-PRO) 15
|
| Reduction Ratios | 51, 81, 101, 121, 161 161616
|
| Start-Stop Peak Torque | 3.3 N.m (Smallest) up to 841 N.m (Largest) 17
|
| Rated Speed | From 7 RPM to 90 RPM (depending on ratio and model) 18
|
| Backlash | As low as 10 arcsec (on select models/ratios) 1919
|
| Supply Voltage | 24V – 48V 20
|
| Communication | CAN Bus 21
|
| Encoder Resolution | 17 Bit 22
|
| Protection Level | IP40 / IP67 Options 23
|
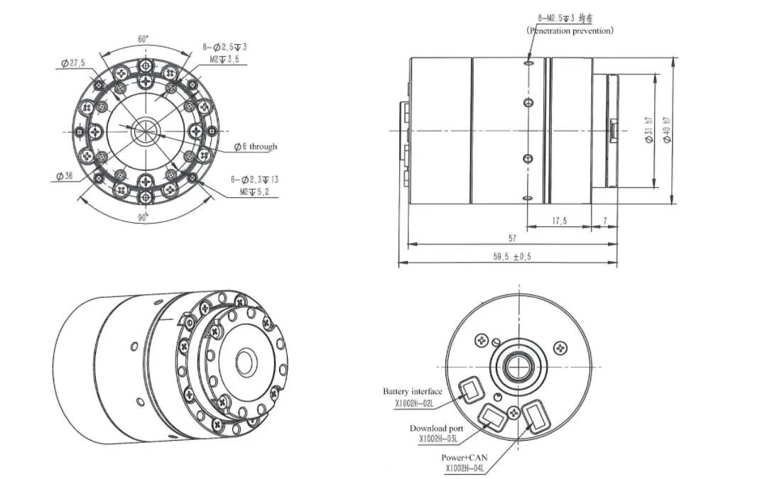
Example Model Details: TD-30-40-PRO-XX
| Specification | Value (Ratio 51) | Value (Ratio 101) |
| Start-stop Peak Torque | 3.3 N.m | 4.8 N.m |
| Rated Torque (at 2000rpm/ratio) | 1.8 N.m | 2.8 N.m |
| Rated Speed (with 1/2 rated torque) | 90 RPM | 45 RPM |
| Motor Power | 36 W | 36 W |
| Length (Without Brake) | 59.5 mm (±0.5) 26
| 59.5 mm (±0.5) 27
|
| Weight (Without Brake) | 0.18 kg 28
| 0.18 kg 29
|
Partner and Quality Assurance
The Avatar TD Series Robot Joint Modules are manufactured by Avatar Intelligent Equipment Co., Ltd., a trusted partner who shares our commitment to quality and innovation in robotics.
Welcome to Robotonomous, where we are shaping the next era of intelligent machines.